特点和优势
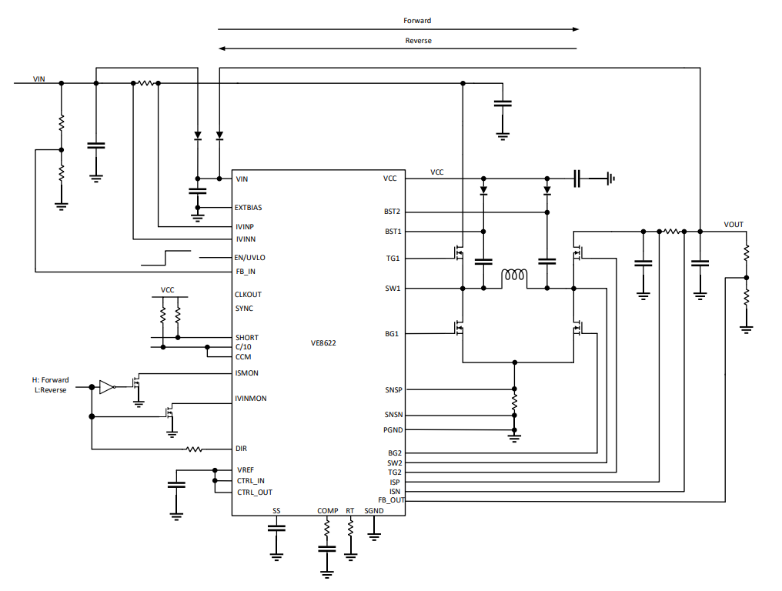
可选正反向双向工作模式
四开关单电感器架构允许 VIN 高于、低于或等于 VOUT
同步开关操作:效率高达 98.5%
宽 VIN 范围:4.5V 至 75V
1% 输出电压准确度:1.2V ≤ VOUT < 75V
6% 输出电流准确度:3V ≤ VOUT < 75V
输入和输出恒流控制和电流监视
在降压或升压模式中无上管 FET 刷新
停机期间 VOUT 与 VIN 断开
C/10 充电终止和输出短路标记
每个 IC 能提供 100W 或更大的功率
简易并联能力以提高输出功率
具E-PAD的 38 引脚 TSSOP 封装

