近期搜索热词

CN
EN

ZH6200

高集成度的H桥驱动芯片

直流电机驱动器

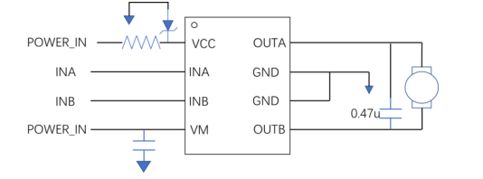
ZH6200是一款5V直流有刷电机驱动器,最大连续输出电流可达1.8A。主要应用于电子锁,电子茶具,电动玩具马达。

数据表 ZH6200_CN.pdf

特点和优势

单通道内置功率MOS全桥驱动

最大连续输出电流可达1.8A,峰值2.5A

过热保护功能

低导通电阻(0.2Ω)

欠压保护,短路保护,自适应死区

驱动前进,后退,停止及刹车功能

订货信息

产品应用

文档和资源

赛卓电子产品选型手册V1-25Q4.pdf

Selection Guide 下载
2025年 10月 22日

ZH6200_CN.pdf

Datesheet 下载
2025年 10月 24日

ZH6200

ZH6200是一款5V直流有刷电机驱动器,最大连续输出电流可达1.8A。主要应用于电子锁,电子茶具,电动玩具马达。

(021)6408 0230*803