近期搜索热词

CN
EN

SC4688DC

高精度可编程线性输出霍尔效应传感器

BiCMOS 工艺、提供开路、过压和欠压检测功能

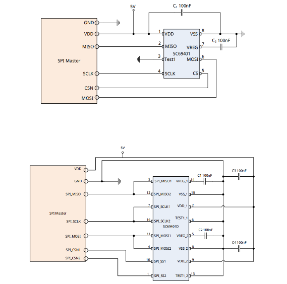
SC468X系列是一款BiCMOS工艺可编程线性霍尔传感器芯片。输出电压大小与磁通量密度成正比,可调节参数包含静态电压,灵敏度,极性,钳位电压,灵敏度温漂补偿等参数。这些参数能在用户终端调整。本系列产品提供了开路、过压和欠压检测功能。多颗SC468X共用一组总线也可单独对其中一颗进行标定而互不影响。

数据表 SC4688DC_EN.pdf
SC4688DC_CN.pdf

特点和优势

AEC-Q100

线性模拟量输出

工作电压范围: 4.5V~5.5V

工作温度范围: -40℃~150℃

开路检测,过压及欠压检测

EMC、ESD优化设计

磁场响应频率达2kHz

在工作温度范围内总体误差率≤2%

灵敏度、静态输出电压及温度补偿可编程

订货信息

产品名称 封装 环境温度 丝印 包装
SC4688SA-BK-Q TO-92U -40℃~150℃ 4688 散包
SC4689SA-BK-Q TO-92U -40℃~150℃ 4689 散包
SC4688DC-TR-Q SOP8 -40℃~150℃ 4688 卷盘
SC4688DA-TR-Q SOP8 -40℃~150℃ 4688D 卷盘

产品应用

安全带支架

电子油门踏板

车身高度传感器

轮椅摇杆

水压力传感器

3D手柄

电子油门踏板

转把

吊车工业摇杆

挖掘机工业摇杆

油箱液位传感器

电子换挡器

EGR阀

发动机电子节气门

文档和资源

赛卓电子产品选型手册V1-25Q4.pdf

Selection Guide 下载
2025年 10月 22日

SC4688DC_EN.pdf

Datesheet 下载
2025年 10月 24日

SC4688DC_CN.pdf

Datesheet 下载
2025年 10月 24日

SC468X的应用文档.pdf

Application Note 下载
2026年 1月 30日

SC4688DC

SC468X系列是一款BiCMOS工艺可编程线性霍尔传感器芯片。输出电压大小与磁通量密度成正比,可调节参数包含静态电压,灵敏度,极性,钳位电压,灵敏度温漂补偿等参数。这些参数能在用户终端调整。本系列产品提供了开路、过压和欠压检测功能。多颗SC468X共用一组总线也可单独对其中一颗进行标定而互不影响。

(021)6408 0230*803