近期搜索热词

CN
EN

SC4624

高精度、宽带宽、带参考电压输出的单片集成式电流传感器

高性价比、低功耗与小封装尺寸

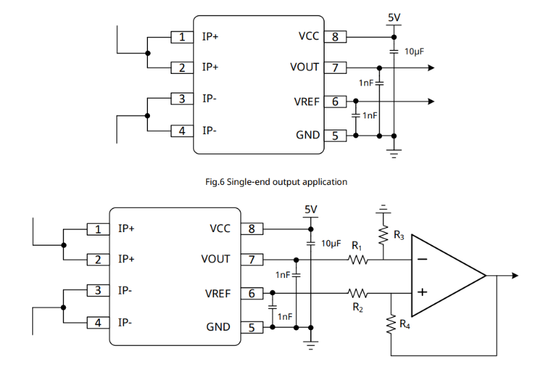
SC4624是一款高精度、高性价比的电流传感器IC,适用于各种工业、汽车、商业和通信系统中的AC/DC电流传感。该芯片具有低偏移的线性霍尔传感器电路和铜导电路径,当电流流过时会产生磁场。1mΩ的内阻,主铜传导路径的低功耗与小封装尺寸更为适配,在电机控制、负载管理、电源和过电流故障保护应用中使用反馈理想。

数据表 SC4624_EN.pdf

特点和优势

安规UL60950-1

差分霍尔

工作温度范围-40℃~125°C

灵敏度误差<3%

10A、20A、30A量程可选

隔离保护,导通电阻1mΩ

集成数字温度补偿电路

带宽120kHz,响应时间<4us

电源欠压保护和输出短路保护

出厂标定灵敏度和零点输出电压

订货信息

Ordering Information Mark IPR (A) Sens (Typ) at VCC = 5 V (mV/A) Ambient, TA(℃) Package Packing Quantity
SC4624DC-20B5F-TR SC4624 ±20 100 -40~125 SOP-8L TR 4000/reel
SC4624DC-25B5F-TR SC4624 ±25 80 -40~125 SOP-8L TR 4000/reel
SC4624DC-30B5F-TR SC4624 ±30 66.7 -40~125 SOP-8L TR 4000/reel
SC4624DC-50B5F-TR SC4624 ±50 40 -40~125 SOP-8L TR 4000/reel

产品应用

按摩椅电流检测

空调内/外机电流检测

咖啡机电流检测

油烟机电流检测

工业缝纫机电流检测

挖掘机工业摇杆

电梯门机电流检测

工业变频器电流检测

伺服系统电流检测

工业变频器电流检测

机械手臂电流检测

储能电流检测

AC-DC电源

电源模块

充电枪模块

储能逆变器 微型逆变器 集中式逆变器 组串式逆变器

文档和资源

赛卓电子产品选型手册V1-25Q4.pdf

Selection Guide 下载
2025年 10月 22日

SC4624_EN.pdf

Datesheet 下载
2025年 10月 24日

SC4624

SC4624是一款高精度、高性价比的电流传感器IC,适用于各种工业、汽车、商业和通信系统中的AC/DC电流传感。该芯片具有低偏移的线性霍尔传感器电路和铜导电路径,当电流流过时会产生磁场。1mΩ的内阻,主铜传导路径的低功耗与小封装尺寸更为适配,在电机控制、负载管理、电源和过电流故障保护应用中使用反馈理想。

(021)6408 0230*803