近期搜索热词

CN
EN

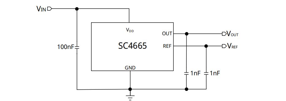
SC4665

带REF/OCD的高精度低噪声电流传感器

直插式可编程、用于开环精确电流检测或者位置检测

SC4665是一种直插式可编程霍尔传感器,配合磁环用于开环精确电流检测或者位置检测。SC4665的传输特性出厂会经过温漂调整,并在终端客户校准期间可编程(偏移、灵敏度、滤波、内部过流阈值)。具有高达400kHz的带宽和快速响应时间,特别适用于高速应用环境,如逆变器和转换器,这些由于快速切换需要快速响应时间。输出钳位电平和芯片滤波作为应用需求也是可编程的。

数据表 SC4665_CN.pdf

特点和优势

灵敏度误差<1.5%

3.3V-5V供电电压,可选比例模拟输出

自检及多种功能诊断:

OTP、OVP、OCD、短线检测等

固定非比例输出VREF,支持双向操作

24 Bit customer ID

TO-94封装类型

订货信息

产品名称 灵敏度(mV/Gs) 工作温度(℃) 功能 封装形式 包装形式 数量
SC4665VB-A-BK 0.4~2mV/Gs -40~125 Vref TO-94 散包 500 颗/袋
SC4665VB-B-BK 2~5mV/Gs -40~125 Vref TO-94 散包 500 颗/袋
SC4665VB-C-BK 5~10mV/Gs -40~125 Vref TO-94 散包 500 颗/袋

产品应用

高压直流继电器

工业变频器电流检测

储能电流检测

储能逆变器 微型逆变器 集中式逆变器 组串式逆变器

文档和资源

赛卓电子产品选型手册V1-25Q4.pdf

Selection Guide 下载
2025年 10月 22日

SC4665_CN.pdf

Datesheet 下载
2025年 10月 24日

SC4665

SC4665是一种直插式可编程霍尔传感器,配合磁环用于开环精确电流检测或者位置检测。SC4665的传输特性出厂会经过温漂调整,并在终端客户校准期间可编程(偏移、灵敏度、滤波、内部过流阈值)。具有高达400kHz的带宽和快速响应时间,特别适用于高速应用环境,如逆变器和转换器,这些由于快速切换需要快速响应时间。输出钳位电平和芯片滤波作为应用需求也是可编程的。

(021)6408 0230*803