近期搜索热词

CN
EN

SC2948

高性能双极开关霍尔

超高耐压反接保护高ESD、符合ASIL-B功能安全设计

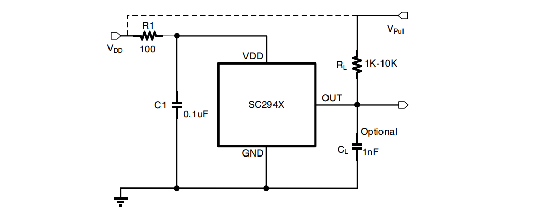
SC294X 系列采用高频斩波技术,在全工作电压和 工作温度范围内具有很高的磁场一致性和对称性。 芯片的输出脚集成了过流保护功能。霍尔信号处理通路采用高频斩波技术,不但减小了霍尔感应阵列和处理电路的失调电压,而且减小了应力和温度对失调电压的影响,并尽可能地将芯片的系统延时及输 出抖动降低至最小。

数据表 SC2948_CN.pdf
SC2948_EN.pdf

特点和优势

AEC-Q100

ISO26262 ASIL-B SEooC

宽工作电压范围:2.8-40V

反向保护电源电压:-28V

宽工作温度范围:-40-150°C

电源端瞬态耐压 60V(串接 200 欧电阻)

输出端40mA限流保护

高抗电磁干扰和静电防护能力

订货信息

Ordering Information Mark Option Grade Ambient, TA(℃) Package Packing Quantity
SC2943SO-TR-Q 2943 Q -55 to 150 SOT23-3L Reel 3000 pieces/reel
SC2943SO-N-TR-Q 2943 N Q -55 to 150 SOT23-3L Reel 3000 pieces/reel
SC2943UA-BK-Q 2943 Q -55 to 150 TO92S Reel 1000 pieces/bag
SC2948SO-TR-Q 2943 Q -55 to 150 SOT23-3L Reel 3000 pieces/reel
SC2948UA-BK-Q 2943 Q -55 to 150 TO92S Bulk 1000 pieces/bag
SC2948UA-N-BK-Q 2943 N Q -55 to 150 TO92S Bulk 1000 pieces/bag

产品应用

座椅电机

尿素泵

侧滑门电机

文档和资源

赛卓电子产品选型手册V1-25Q4.pdf

Selection Guide 下载
2025年 10月 22日

SC2948_CN.pdf

Datesheet 下载
2025年 10月 24日

SC2948_EN.pdf

Datesheet 下载
2025年 10月 22日

SC2948

SC294X 系列采用高频斩波技术,在全工作电压和 工作温度范围内具有很高的磁场一致性和对称性。 芯片的输出脚集成了过流保护功能。霍尔信号处理通路采用高频斩波技术,不但减小了霍尔感应阵列和处理电路的失调电压,而且减小了应力和温度对失调电压的影响,并尽可能地将芯片的系统延时及输 出抖动降低至最小。

(021)6408 0230*803