近期搜索热词

CN
EN

SC9669T3

可编程、高精度曲轴位置传感器芯片

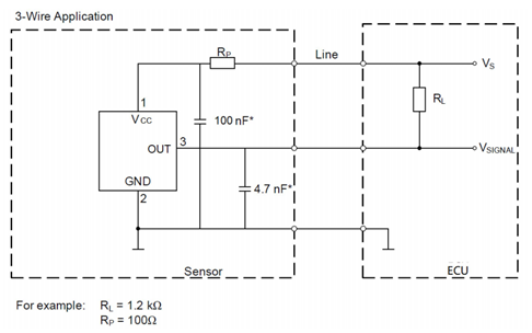
TPOS、相位可编程、3线电压型输出

SC9669是一款有源霍尔传感器,既适用于磁环检测,也适用于齿轮检测,特别适合曲轴、变速器及其他应用场景。其主要工作路径如下:磁场输入信号经霍尔板处理后,经过放大与滤波,由数字单元处理,最终通过输出接口输出。

数据表 SC9669_CN.pdf
SC9669_EN.pdf

特点和优势

支持速度、方向信号输出

0.2°相位精度

16档相位可调

抖动抑制功能

动态自矫正功能

支持PCB-LESS封装

符合AEC-Q100车规认证

适用于混动、增程车型发动机特殊工况

订货信息

Ordering Information Marking Ambient, TA(℃) Package Packing Quantity
SC9669T3-TR-Q 9669 -40 ~ 150 TS-3 Tape & reel 1500 /reel

产品应用

曲轴位置传感器

文档和资源

赛卓电子产品选型手册V1-25Q4.pdf

Selection Guide 下载
2025年 10月 22日

SC9669_CN.pdf

Datesheet 下载
2026年 3月 26日

SC9669_EN.pdf

Datesheet 下载
2025年 11月 21日

SC9669T3

SC9669是一款有源霍尔传感器,既适用于磁环检测,也适用于齿轮检测,特别适合曲轴、变速器及其他应用场景。其主要工作路径如下:磁场输入信号经霍尔板处理后,经过放大与滤波,由数字单元处理,最终通过输出接口输出。

(021)6408 0230*803