Characteristics and advantages
Based on IMC 3D sensing principle, supporting angle and linear displacement detection in selectable XY, XZ, or YZ planes, as well as 3D position detection in XYZ space.
Wide operating temperature range:-40°C to 160°C.
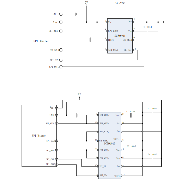
Selectable output interfaces: Analog voltage, PWM (Pulse-Width Modulation), digital SPI, SAE J2716-compliant SENT, and 2-wire current-mode PSI5 (V2.3).
Programmable linear transfer characteristic, configurable via arbitrary 4/8 points or 16/32-segment piecewise linear curves.
32-bit programmable user ID for device identification and traceability.
Comprehensive on-chip diagnostic functions.
Wire break diagnosis (VDD open, VSS open).
Over-current and over-voltage protection; under-voltage detection.
AEC-Q100 Grade0 qualified
ISO26262 ASIL-B qualified
Package options: Single-channel SOP-8, dual-channel redundant TSSOP-16, and SIP-3. All packages are lead-free and compliant with EU RoHS requirements.

