Characteristics and advantages
AEC-Q100 qualified
Developed according to ISO26262-10 and ISO26262-9 as SEooC with ASIL-B level
Supports a wide operation voltage range:2.8-40V
Reverse battery protection:-28V
Wide operating temperature range:-40-150°C
Supply voltage transient up to 60V with 200Ω RS resistor
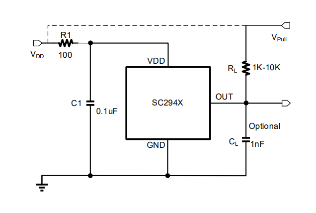
Current limited open drain output: 40mA
High EMC/ESD immunity

