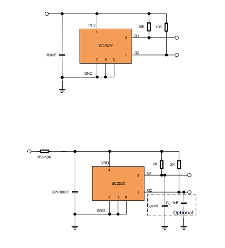
Characteristics and advantages
2.8V to 40V supply voltage operation
Wide operating temperature range:-40℃ to 150℃
Output Function Option:Speed + Speed
Reverse battery protection: -27V
Excellent matching between the 2 Hall probes
Hall plate distance: 1.33mm
The optimum magnetic pitch for 90°phase difference: 2.8mm
Direction signal switches before the speed signal: 400ns
Output Current Limitation: 40mA
Multiple packaging forms are available:SOT23-6L(S6)、TO-94(VB)、TO-94(PCB-Less)

